
Hochfrequenzsensor mit 5,8 GHz ± 75 MHz für Deckenleuchten mit 220–240 VAC-Betrieb
Marke:
HAISENPunkt Nr.:
HD01VOrder (MOQ):
100pcsZahlung:
L/C, T/T, Western UnionProduktursprung:
ChinaZertifizierung:
CE,ROHS,TUV,REDHochfrequenzsensor mit 5,8 GHz ± 75 MHz für Deckenleuchten mit 220–240 VAC-Betrieb
Besonderheit:
Spezifikation
Eingang | Spannungsbereich | 220~240 VAC 50/60Hz |
Sensorparameter | Haltezeit | 5 s/30 s/1 min/5 min/10 min/20 min/30 min |
Erfassungsbereich | 10 %/50 %/75 %/100 % | |
Tageslichtsensor | 2 Lux/10 Lux/50 Lux/Deaktivieren | |
Montagehöhe | Max. 6 m (Deckenmontage) Max. 3 m (Wandmontage) | |
Erfassungsbereich | Max. ø14m (Deckenmontage) Max.10m (Wandmontage) | |
Drahtlose Parameter | Betriebsfrequenz | 5,8 GHz ±75 MHz |
Funktion | 0N/0FF+Dimmfunktion | |
Betriebsumgebung | Betriebstemperatur | -20°C bis +55°C |
Sicherheit & EMV | Zertifikatsanforderung | CE, ROHS, TÜV, ROT |
Sonstige | Garantie | 5 Jahre |
Installation | Innenleuchten eingebaut | |
IP-Schutzart | IP20 | |
Verpackungsanforderung | Luftpolsterfolie, Papier flach, Umkarton. | |
Leben | 50000 Stunden |
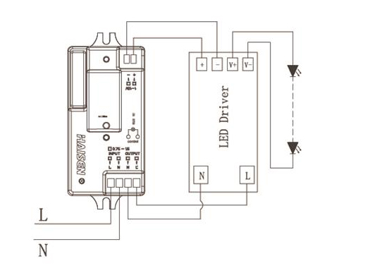
Schaltplan
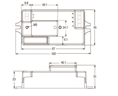
Größe
Erkennungsabdeckung
DIP-Schaltereinstellung
Demo
Vorherige:
120-277VAC betriebener dimmbarer Tageslicht-Mikrowellen-BewegungssensorNächste:
Ultradünner Design-Mikrowellen-Bewegungssensor 220-240VAC für Triproof-LichtWenn Sie Fragen oder Anregungen haben, hinterlassen Sie uns bitte eine Nachricht, wir werden Ihnen so schnell wie möglich antworten!
Kategorien
© Copyright: 2025 Microtionlight Alle Rechte vorbehalten.
IPv6 -Netzwerk unterstützt